Serie HGP Bombas de engranajes externos (Bomba única)
Solicite un presupuesto
- Las piezas de los sellos de aceite de Viton soportan altas temperaturas.
- Los rodamientos especiales sin aceite están diseñados para funcionar a altas presiones.
- Permiten rotación e inversión de giro.
HGP-1A: Especificaciones técnicas
| Modelo | Desplazamiento(cc/rev) | Presión de funcionamiento (bar) | Velocidad de rotación (rpm) | Peso (kg) | |||
| Presión nominal | Presión máxima | Nominal | Min. | Max. | |||
| | 1 | 210 | 250 | 1800 | 1000 | 4500 | 1 |
| | 2 | 210 | 250 | 1800 | 600 | 4500 | 1.05 |
| | 3 | 210 | 250 | 1800 | 600 | 4500 | 1.15 |
| | 4 | 210 | 250 | 1800 | 600 | 4500 | 1.18 |
| | 5 | 210 | 250 | 1800 | 600 | 3200 | 1.2 |
| | 6 | 210 | 250 | 1800 | 600 | 3200 | 1.3 |
| | 7, 8 | 175 | 210 | 1800 | 600 | 3200 | 1.4 |
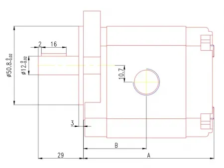
Dimensiones
| Modelo | A (mm) | B (mm) | Entrada (puerto de succión) | Salida (puerto de presión) |
| | 69.5 | 33.5 | 3/8''PT | 3/8''PT |
| | 72 | 34.8 | 3/8''PT | 3/8''PT |
| | 77.5 | 37.5 | 3/8''PT | 3/8''PT |
| | 79.5 | 38.5 | 3/8''PT | 3/8''PT |
| | 83.5 | 40.5 | 3/8''PT | 3/8''PT |
| | 87.5 | 42.5 | 3/8''PT | 3/8''PT |
| | 93.5 | 45.5 | 1/2''PT | 3/8''PT |
Códigos de modelo
| Nombre del modelo | |
| Tipo de montaje | L: Montaje con base F: Montaje con brida |
| Desplazamiento (cc/rev) | 1: 1 2: 2 3: 3 4: 4 5: 5 6: 6 8: 8 |
| Dirección de rotación | R: en el sentido de las agujas del reloj L: en sentido antihorario |
| Tipo de eje de transmisión | X: eje de chaveta paralelo Y: eje estriado |
| Tipo de brida | 2B: SAE de 2 pernos 4BD: DIN de 4 pernos 4DE: Europeo de 4 pernos |
HGP-2A: Especificaciones técnicas
| Modelo | Desplazamiento(cc/rev) | Presión de funcionamiento (bar) | Velocidad de rotación (rpm) | Peso (kg) | |||
| Presión nominal | Presión máxima | Nominal | Min. | Max. | |||
| | 2 | 210 | 250 | 1800 | 900 | 5000 | 1.69 |
| | 3 | 210 | 250 | 1800 | 850 | 5000 | 1.7 |
| | 4 | 210 | 250 | 1800 | 800 | 4500 | 1.71 |
| | 5 | 210 | 250 | 1800 | 700 | 3500 | 1.71 |
| | 6 | 210 | 250 | 1800 | 700 | 3500 | 1.72 |
| | 7.5 | 210 | 250 | 1800 | 600 | 3000 | 1.74 |
| | 9 | 210 | 250 | 1800 | 550 | 2500 | 1.74 |
| | 10.5 | 210 | 250 | 1800 | 500 | 2000 | 1.74 |
| | 12 | 175 | 210 | 1800 | 500 | 2000 | 1.76 |
Códigos de modelo
| Nombre del modelo | |
| Tipo de montaje | L: Montaje con base F: Montaje con brida |
| Desplazamiento (cc/rev) | 2: 2 3: 3 4: 4 5: 5 6: 6 8: 8 9: 9 11: 11 12: 12 |
| Dirección de rotación | R: en el sentido de las agujas del reloj L: en sentido antihorario |
| Tipo de eje de transmisión | X: eje de chaveta paralelo Y: eje estriado |
| Tipo de brida | 4BJ: JIS 4-bolt |
HGP-3A: Especificaciones técnicas
| Modelo | Desplazamiento(cc/rev) | Presión de funcionamiento (bar) | Velocidad de rotación (rpm) | Peso (kg) | |||
| Presión nominal | Presión máxima | Nominal | Min. | Max. | |||
| | 6 | 210 | 250 | 1800 | 700 | 3000 | 2.32 |
| | 8 | 210 | 250 | 1800 | 700 | 3000 | 2.4 |
| | 11 | 210 | 250 | 1800 | 600 | 3000 | 2.53 |
| | 13 | 210 | 250 | 1800 | 600 | 3000 | 2.6 |
| | 14.3 | 210 | 250 | 1800 | 500 | 3000 | 2.69 |
| | 16.5 | 210 | 250 | 1800 | 500 | 3000 | 2.81 |
| | 19.2 | 210 | 250 | 1800 | 500 | 3000 | 2.92 |
| | 23 | 210 | 250 | 1800 | 500 | 3000 | 3.11 |
| | 25 | 175 | 210 | 1800 | 500 | 3000 | 3.2 |
| | 28 | 175 | 210 | 1800 | 500 | 3000 | 3.29 |
| | 30 | 175 | 210 | 1800 | 500 | 3000 | 3.38 |
Dimensiones
| Modelo | A (mm) | B (mm) | Entrada (puerto de succión) | Salida (puerto de presión) |
| | 97.4 | 46.7 | 3/4''PT | 1/2''PT |
| | 99 | 47.5 | 3/4''PT | 1/2''PT |
| | 101 | 48.5 | 3/4''PT | 1/2''PT |
| | 105 | 50 | 3/4''PT | 1/2''PT |
| | 109 | 51.5 | 3/4''PT | 1/2''PT |
| | 113 | 54 | 3/4''PT | 1/2''PT |
| | 117 | 56 | 3/4''PT | 1/2''PT |
| | 123 | 59 | 3/4''PT | 1/2''PT |
| | 127 | 61 | 3/4''PT | 1/2''PT |
| | 134 | 65 | 3/4''PT | 1/2''PT |
| | 137 | 66 | 1''PT | 3/4''PT |
| | 141 | 68 | 1''PT | 3/4''PT |
| | 145 | 70 | 1''PT | 3/4''PT |
Códigos de modelo
| Nombre del modelo | |
| Tipo de montaje | L: Montaje con base F: Montaje con brida |
| Desplazamiento (cc/rev) | 6: 6 8: 8 11: 11 13: 13 14: 14 17: 17 19: 19 23: 23 25: 25 28: 28 30: 30 |
| Dirección de rotación | R: en el sentido de las agujas del reloj L: en sentido antihorario |
| Tipo de eje de transmisión | X: eje de chaveta paralelo Y: eje estriado |
| Tipo de brida | SAE de 2 pernos |
Envíenos tu solicitud
Productos relacionados
Otros componentes hidráulicos
Productos relacionados
Comentarios
Otros productos
Novedades
Más
Otros productos
Vídeos

