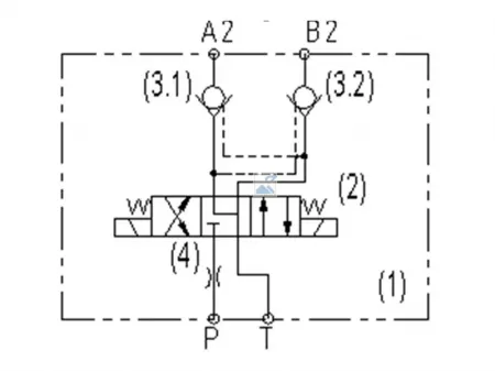
Bloque de válvula de acoplamiento rápido K04
Solicite un presupuesto
- El diseño optimizado minimiza el ruido del circuito piloteado para un funcionamiento más suave.
- Probado y validado en fábrica con más de un millón de ciclos de durabilidad para garantizar una fiabilidad duradera.
Aplicaciones
Ampliamente utilizado en maquinaria de construcción como excavadoras y cargadoras, el bloque de válvulas de acoplamiento rápido permite la conmutación del circuito hidráulico para los implementos. Está diseñado con funciones de compensación y mantenimiento de presión, lo que garantiza un funcionamiento seguro, estable y eficiente durante los cambios frecuentes de implementos.
Especificaciones
| Presión máxima de funcionamiento | 350bar |
| Caudal nominal | 20L/min |
| Voltaje | DC14V±10% |
| Rango de temperatura del fluido | -20℃~80℃ |
| Rango de temperatura ambiente | -20℃~80℃ |
| Tratamiento de superficies | Niquelado |
| Rango de viscosidad del aceite | ISO 20~400mm²/s |
Productos relacionados
Comentarios
Otros productos
Novedades
Señal de salida LED con iluminación lateral y panel acrílico transparente/espejado, JELBEX
ft-emergencylight.com.ar
Más
Otros productos
Vídeos

