Rodillo superior para excavadora Hitachi EX1200
Solicite un presupuesto
- Modelos de excavadoras compatibles HitachiEX1200-6, EX1100, ZX870, ZX850, ZX800, EX700, EX750, ZX670John Deere650 D, 750, 750 EXC, 800 C, 850 CVolvoEC650, EC700B LC
- Números de piezas OEM HITACHI 4349518, HITACHI 4638433, HITACHI 9078675, HITACHI 9134126, JOHN DEERE AT318030, VOLVO 14531515
Especificaciones técnicas
- Descripción: Rodillo portador
- Origen: China
- Marca: PT'ZM
- Modelo de máquina aplicable: EX1200
- Marca de máquina aplicable: Hitachi
- Número de pieza: 4638433
- Certificado: GB/T19001-2016, ISO9001:2015
- Precio: A convenir
- Método de embalaje: Embalaje marítimo fumigado
- Plazo de entrega: 7-30 días
- Condiciones de pago: Transferencia bancaria (consultar otras condiciones)
- Condiciones de envío: FOB, CIF, CFR
- Cantidad mínima de pedido: 1 unidad
- Capacidad de suministro: 100 unidades/mes
- Material: 40MnB2/42CrMo
- Proceso de fabricación: Forjado
- Acabado: Liso
- Dureza: HRC48-55, profundidad: 8-10mm
- Calidad: Construcción y minería
- Periodo de garantía: 12 meses
- Servicio posventa: Soporte técnico por video, soporte en línea
- Color: Negro o a petición del cliente
- Aplicación: Excavadora de cadenas
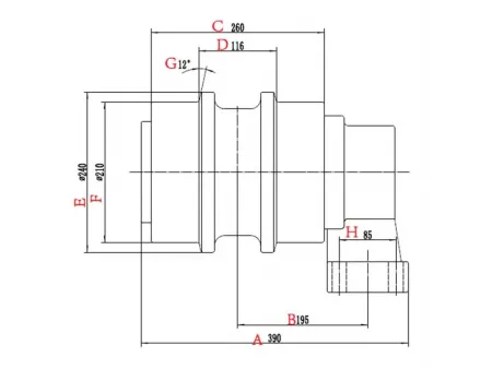
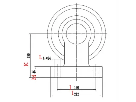
Tabla de tamaño (unidad: mm)
| EX1200 | A | B | C | D | E | F |
| 390 | 195 | 260 | 116 | 240 | 210 | |
| G | H | I | J | K | M | |
| 12 | 85 | 212 | 160 | 180 | 46 |
Productos relacionados
Comentarios
Otros productos
Novedades
Más
Otros productos
Vídeos

